-
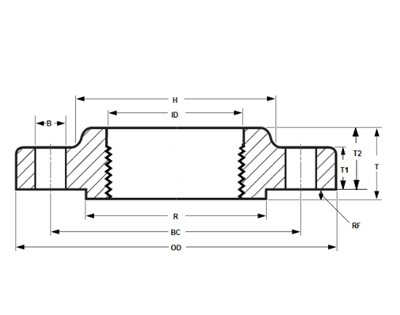
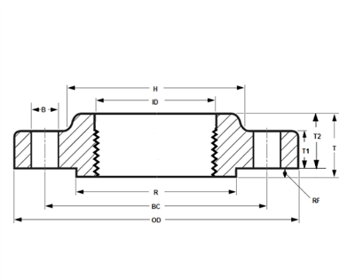
Mar 12, 2024ASME B16.5 Threaded Flange Chav Kawm 2500 hauv ntiTHREADED CLASS 2500 Threaded flange dimensions class 2500 in inches (ASME B16.5) Rau ASME B16.5 Threaded Flanges, qhov ntev tuaj yeem sib txawv raws li cov yeeb nkab nominal loj (N -
Mar 12, 2024ASME B16.5 Threaded Flange Chav Kawm 1500 hauv ntiTHREADED CLASS 1500 Threaded flange qhov ntev chav kawm 1500 hauv nti (ASME B16.5) Rau ASME B16.5 Threaded Flanges, qhov ntev tuaj yeem sib txawv raws li cov yeeb nkab nominal loj -
Mar 12, 2024ASME B16.5 Threaded Flange Chav Kawm 900 hauv ntiTHREADED CLASS 900 Threaded flange dimensions class 900 in inches (ASME B16.5) Class 900 Threaded Flanges: Nominal Pipe Size (NPS): Ntau yam ntawm 1/2 nti (DN 15) txog 24 ntiv tes -
Mar 12, 2024ASME B16.5 Threaded Flange Class 600 hauv InchesThreaded chav 600 Threaded Flange chav kawm 600 hauv nti (ASME B16.5) rau Asme B16.5 xyoo tuaj yeem sib txawv hauv cov nominal cov yeeb nkab loj (nps) ntawm Flange. Nov yog kwv yee -
Mar 12, 2024ASME B16.5 Threaded Flange Chav Kawm 400 hauv ntiASME B16.5 Threaded Flange Chav Kawm 400 hauv nti -
Mar 12, 2024ASME B16.5 Threaded Flange Chav Kawm 300 hauv ntiASME B16.5 Threaded Flange Chav Kawm 300 hauv nti -
Mar 12, 2024ASME B16.5 Threaded Flange Chav Kawm 150 hauv ntiASME B16.5 Threaded Flange Chav Kawm 150 hauv nti -
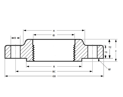
Mar 12, 2024Dimensions ntawm Chav Kawm 2500 Vuam Neck FlangeNtawm no yog qhov kwv yees qhov ntev rau Chav Kawm 2500 Vuam Neck Flange raws li ASME B16.5 tus qauv, hauv nti: Nominal Pipe Size (NPS): Ntau yam ntawm 1/2 nti (DN 15) txog 24 ntiv -
Mar 12, 2024Dimensions ntawm Chav Kawm 1500 Vuam Neck FlangeNtawm no yog qhov kwv yees qhov ntev rau Chav Kawm 1500 Weld Neck Flange raws li ASME B16.5 tus qauv, hauv nti: Nominal Pipe Size (NPS): Ntau yam ntawm 1/2 nti (DN 15) txog 24 ntiv -
Mar 12, 2024Dimensions ntawm Chav Kawm 900 Vuam Neck FlangeChav Kawm 900 Vuam Neck Flange qhov ntev ua raws li ASME B16.5 cov qauv, thiab lawv sib txawv raws li cov yeeb nkab nominal loj (NPS) ntawm flange. Nov yog qhov dav dav rau Chav Ka -
Mar 12, 2024Dimensions ntawm Chav Kawm 600 Vuam Neck FlangeChav Kawm 600 Vuam Neck Flange qhov ntev, raws li ASME B16.5 tus qauv, sib txawv raws li cov yeeb nkab nominal loj (NPS) ntawm flange. Hauv qab no yog qhov dav dav rau Chav Kawm 60 -
Mar 12, 2024Dimensions ntawm Chav Kawm 400 Vuam Neck FlangeChav Kawm 400 Vuam Neck Flange qhov ntev ua raws li ASME B16.5 tus qauv, thiab zoo li lwm cov chav kawm siab, qhov ntev yuav txawv nyob ntawm qhov loj ntawm cov yeeb nkab nominal (





